二氧化碳液位計用于低溫到高溫,真空到高壓等各種環境,是石油、化工等工業部門的理想液位測量產品。根據在容器中安裝位置的不同,提供側裝和頂裝兩種形式。根據工作介質不同,提供不銹鋼和ABS、PP-R工程塑料三種材質,其中ABS、PP-R材質適用于酸、堿等腐蝕性介質。
磁浮子液位計的詳細資料:
1、以浮子為測量元件,磁鋼驅動翻柱顯示,無需能源。
2、配上下限開關輸出,可實現遠距報警,限位控制。
3、配變送器可實現液位遠距報指示,檢測與控制。
特點
● 結構非常簡單、堅固可靠、持久耐用、幾乎無需維護,可在戶外長期使用;
● 磁翻板與測量筒內的磁浮子及介質、磁性報警開關是互相隔離的;
● 工作壓力:真空~42MPa,密度*低可達0.459cm3;
● 工作溫度:-190~+425℃;
● 不受被測介質物理和化學狀態的影響。如:介質的導電率、介電常數、泡沫、壓力、溫度、蒸發、沸騰、氣泡等影響。**用于各種強弱腐蝕、易燃易爆、毒性、強放射性、攪動的、污濁的液面和界面測量;
● 可選配單刀單擲(SPST)、單刀雙擲(SPDT)型無源雙穩態磁性開關,實現高低液面、界面控制或報警。磁性開關數量不受限制;
● 可選配干簧管液位傳感器、磁致伸縮液位傳感器、電容式二線制液位傳感器,輸出4-20mADC(或帶HART協議)信號,實現遠距離集中測量與控制;
● 二線制液位傳感器可帶LED數碼顯示便于夜間觀測;
二氧化碳液位計工作原理:
磁翻板液位計的測量筒與被測容器通過導管及法蘭連接是相通的,兩者中的氣相和液相是同步變化的。根據浮力和磁耦合原理,測量筒內的磁性浮子,隨被測液面的升高(降低),驅動測量筒外部顯示器上的雙色翻板翻轉。當液面上升時,磁性浮子驅動翻板旋轉180°,顯示紅色或綠色;當液面下降時,磁性浮子驅動翻板反向旋轉180°,顯示白色。紅色帶或綠色帶的高度就是被測液面的高度,實現了測量和顯示被測液(界)面位置的目的。
每個磁翻板為雙色軸向對稱結構,兩個磁翻柱間的間距為10mm,分別以白色和紅色(或綠色)來指示氣相部分和液相部分,紅色(或綠色)與白色交接處就是液相和氣相的分界處。該液位計既能測量液面,也能測量兩種不同密度介質的界面。

系統構成及接線
1、上下限開關輸出
由具有自保持作用的舌簧開關和轉換器組成,舌簧開關和轉換器分別安裝于現場和控制室,由轉換器提供三對觸點開關。
2、電遠傳
由測量單元和變送單元兩部分組成。
3、本安防爆
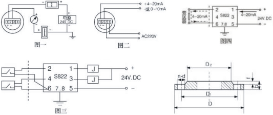
a 帶本安防爆,上、下限開關輸出型
防爆開關由舌簧開關和帶繼電器觸點的安全柵組成,可向用戶直接提供一對常開或常閉觸點。如用戶需更多觸點可特殊設計訂貨。(圖三)
b 帶本安防爆遠傳型
適合使用于∏類電氣設備(工廠用)、C級氣體,*高表面溫度組別T4(135℃)。(圖四)
c 使用注意事項
①變送器外殼設有外接地,用戶使用時必須可靠接地。
②安全柵的使用應遵守有關使用說明內容。
③變送器與安全柵本安端的連接電纜為二芯屏蔽電纜,芯線截面積>0.5m,電纜允許分布電容為0.8μF。

適用范圍
磁翻柱板液位計能**用于石油、化工、醫藥、食品、酒業等行業中各類貯液罐、貯槽、貯液池反應罐、發酵罐、液氨貯罐、氨分離器、鍋爐汽包、除氧器、硫水箱、回水箱、髙低壓加熱器、凝結器、蒸發器及其他壓力容器內與304、321、316L、0Cr18N9、304或0Cr18Ni9+PTFE 00Cr17N14Mo2、1Cr18N9Ti、PVC、PP等材質相容的介質液面、兩種不同介質界面測量與顯示。有多種安裝形式選擇,以適應不同場合環境的要求。
二氧化碳液位計選型表:
XT-UHZ | 磁翻板液位計 | |||||||
顯示方式 | 517 | 就地翻板顯示 | ||||||
518 | 就地翻板顯示+4~20mA遠傳 | |||||||
518H | 遠傳4~20mA+HART協議 | |||||||
安裝方式 | C | 側裝式 | ||||||
D | 頂裝式 | |||||||
液位計類型 | 無 | 基型 | ||||||
Z | 蒸汽伴熱夾套型 | |||||||
D | 電伴熱保溫型 | |||||||
S | 防霜型 | |||||||
報警控制 | 0 | 無報警 | ||||||
1 | 帶一個報警(上限或下限報警) | |||||||
2 | 帶二個報警(上、下限報警) | |||||||
本體材質 | C | 201不銹鋼 | ||||||
P | 304不銹鋼 | |||||||
L | 316不銹鋼 | |||||||
T | 鈦 | |||||||
S | PP塑料 | |||||||
PF | 304內襯四氟 | |||||||
浮子材質 | P | 304不銹鋼 | ||||||
L | 316不銹鋼 | |||||||
T | 鈦 | |||||||
S | PP塑料 | |||||||
F | 四氟包裹 | |||||||
待表明數據 | B1 | 標注法蘭標準、通徑、壓力等級 | ||||||
B2 | 標注實際操作溫度 | |||||||
B3 | 標注實際操作壓力 | |||||||
B4 | 標注測量介質的密度 | |||||||
B5 | 標注訂貨長度,或提供法蘭間距 | |||||||
二氧化碳液位計安裝使用與維護
a. 安裝時液位計筒體內不允許有鐵屑、焊渣等異物進入,以免卡死浮子,液位計必須垂直安裝。(┴≤30°)
b. 液位計與容器之間應安裝截止閥,以便檢修清洗時關閉液料,液位計周圍不允許有強磁場,以免影響正常 工作。
c. 安裝完畢,翻柱可能是花的,或使用過程中,由于液位突變等其它原因造成個別翻柱不翻轉,這時可用磁 鋼進行較正,使零位(液位)以上翻成白色。
d. 液位計命使用時,應先打開上閥門,然后緩慢打開下閥門,防止磁浮子急速上升,造成翻柱翻亂。
e. 使用過程中應定期進行清洗,清除筒體內的污垢雜質。
f. 對超過3.5米以上的液位計需考慮增加中間加固支承耳朵攀以增加其強度與穩定.
g. 液位計在使用過程中,如發現零、部件損壞,可直接與我公司,我公司備有客戶訂購產品檔案,可及時予以解決。




